简介
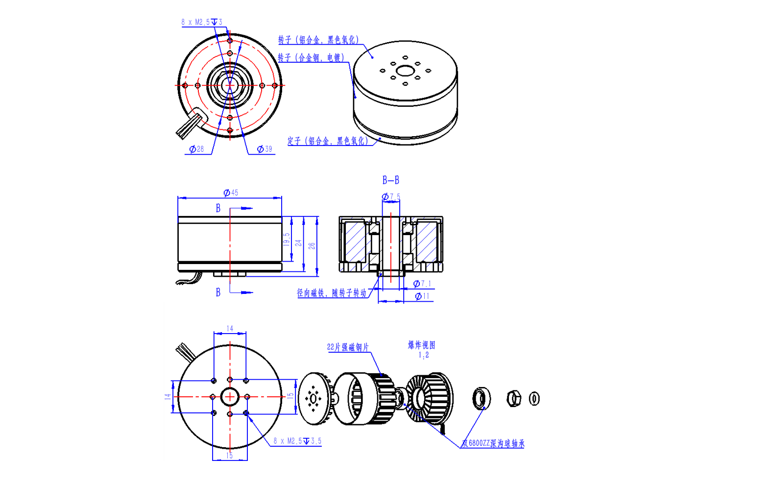
4015三相无刷直流电机集成了无刷电机与磁编码器的小型三相无刷直流电机,采用钕铁硼强磁材料外转子设计,具备中空轴结构,工作电压范围为12–36V,最大可输出3500g·cm的扭矩。电机定子采用铜芯绕组,外壳经CNC精密加工并施以黑色阳极氧化处理,兼具结构坚固性与优异散热性能。
磁编码器采用AS5600芯片方案,提供12位高分辨率(精度达0.087°),支持I2C、PWM与模拟三种输出接口。搭配SimpleFOCMini驱动板可实现FOC控制,实现低噪声、高效率和平滑的转矩性能。借助SimpleFOC开源库,用户可快速上手开发,并轻松兼容Arduino、ESP32、树莓派等开发板。
FOC是什么?
FOC (Field-Oriented Control,磁场定向控制),也被称作矢量控制(Vc,Vector control),是目前无刷直流电机(BLDC)和永磁同步电机(PMSM)高效控制的最优方法之一。FOC旨在通过精确地控制磁场大小与方向,使得电机的运动转矩平稳、噪声小、效率高,并且具有高速的动态响应。
特性
- 小体积、铝合金外壳
- 带AS5600磁编码器,精度0.087°
- 支持FOC控制,实现低噪声、高效率和平滑的转矩性能
- 兼容Arduino、ESP32、树莓派等开发板
应用场景
技术规格
- 电机电气参数- 适用电压:DC12~36V
- 额定电压:12V/24V
- 额定电流:0.65A@12V,1.4A@24V
- 最大电流:4A
- 额定功率:8W@12V,33W@24V
- 额定转速:610RPM@12V,1100RPM@24V
- 额定扭矩:0.15Nm@12V,0.35Nm@24V
- 最大扭矩:0.12Nm@12V,0.3Nm@24V
- 槽极数:24N22P
- 极对数:11
- 绕线电阻:4.8Ω
- 相电阻:7.2Ω
- KV值:61KV
- 相电感:2.6mH
 
- 电机机械尺寸- 定子直径:40mm
- 定子高度:15mm
- 轴径:10mm
- 中空轴孔径:7.5mm
- 绕线匝数:55T/线径0.24mm
- 单电机尺寸:45x26mm
- 工作温度:0-60°C
 
- 编码器参数- 工作电压:3.3V
- 芯片型号:AS5600
- 分辨率:12bit
- 精度:0.087°
- 输出方式:I2C、PWM、模拟输出(默认I2C,PGO引脚接地使用PWM/模拟输出)
- 接口:GH1.25-4Pin
 
documentstart
相关文档
documentsend
配送清单
- 4015三相无刷直流电机(含编码器)              x1
- MX1.25-4P转杜邦连接线                        x1
- 3PIN电机线                                    x1