简介
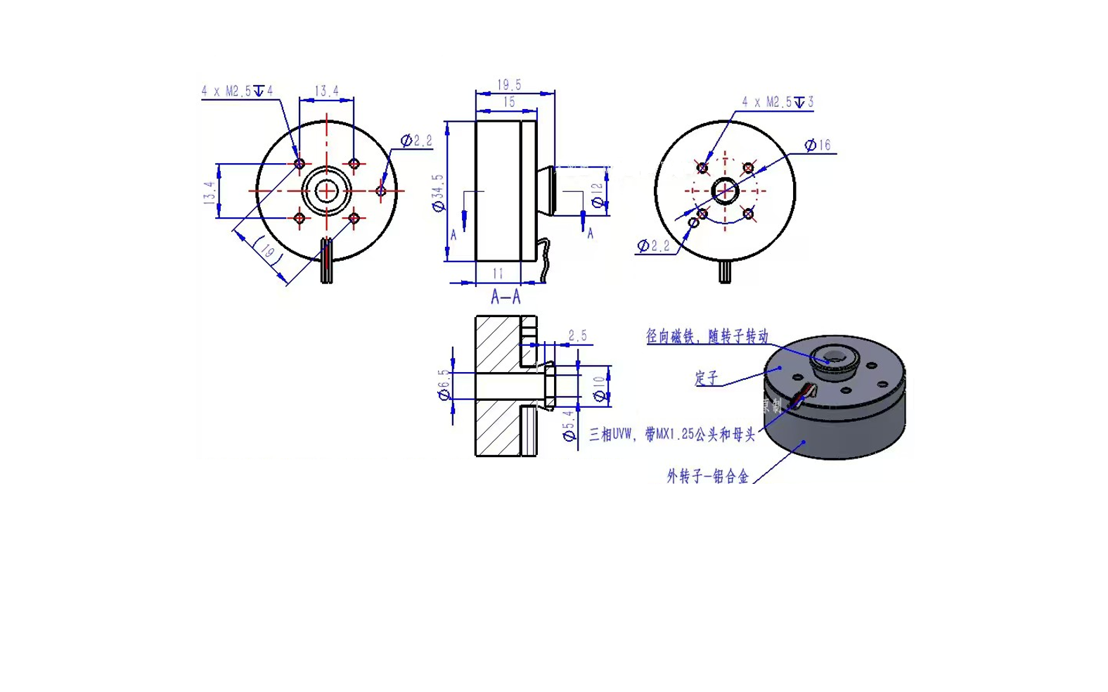
这是一款集成了无刷电机与磁编码器的小型三相无刷直流电机,采用钕铁硼强磁材料外转子设计,具备中空轴结构,工作电压范围为7.4–16V,可输出300g·cm的扭矩。电机定子采用铜芯绕组,外壳经CNC精密加工并施以黑色阳极氧化处理,兼具结构坚固性与优异散热性能。电机外径仅为34.5mm,高度19.5mm,体积紧凑,特别适合空间受限的嵌入式应用场景。
磁编码器采用AS5600芯片方案,提供12位高分辨率(精度达0.087°),支持I2C、PWM与模拟三种输出接口。搭配SimpleFOCMini驱动板可实现FOC控制,实现低噪声、高效率和平滑的转矩性能。借助SimpleFOC开源库,可快速上手开发,并轻松兼容Arduino、ESP32、树莓派等开发板。
FOC是什么?
FOC (Field-Oriented Control,磁场定向控制),也被称作矢量控制(Vc,Vector control),是目前无刷直流电机(BLDC)和永磁同步电机(PMSM)高效控制的最优方法之一。FOC旨在通过精确地控制磁场大小与方向,使得电机的运动转矩平稳、噪声小、效率高,并且具有高速的动态响应。
特性
- 小体积、铝合金外壳
- 带AS5600磁编码器,精度0.087°
- 支持FOC控制,实现低噪声、高效率和平滑的转矩性能
- 兼容Arduino、ESP32、树莓派等开发板
应用场景
技术规格
- 电机电气参数- 适用电压:DC7.4~16V
- 额定电压:12V
- 额定电流:0.4A
- 最大电流:1A
- 额定功率:12W
- 额定转速:2600RPM@12V
- 扭矩:约300g.cm/0.03Nm
- 槽极数:12N14P
- 极对数:7
- 绕线电阻:5.1Ω
- 相电阻:2.3Ω
- KV值:220KV
- 绕线电感:2.8mH
- 相电感:0.86mH
- 磁链:0.0035Wb
- 绕线方式:三角形接法
 
- 电机机械尺寸- 定子直径:28mm
- 定子高度:4mm
- 轴径:8mm
- 中空轴孔径:5.4-6.5mm
- 单电机尺寸:34.5x19.5mm
- 工作温度:0-60°C
 
- 编码器参数- 工作电压:3.3V
- 芯片型号:AS5600
- 分辨率:12bit
- 精度:0.087°
- 输出方式:I2C、PWM、模拟输出(默认I2C,PGO引脚接地使用PWM/模拟输出)
- 接口:GH1.25-4Pin
 
documentstart
相关文档
documentsend
配送清单
- 2804三相无刷直流电机(含编码器)              x1
- MX1.25-4P转杜邦连接线                        x1
- 3PIN电机线                                    x1