简介
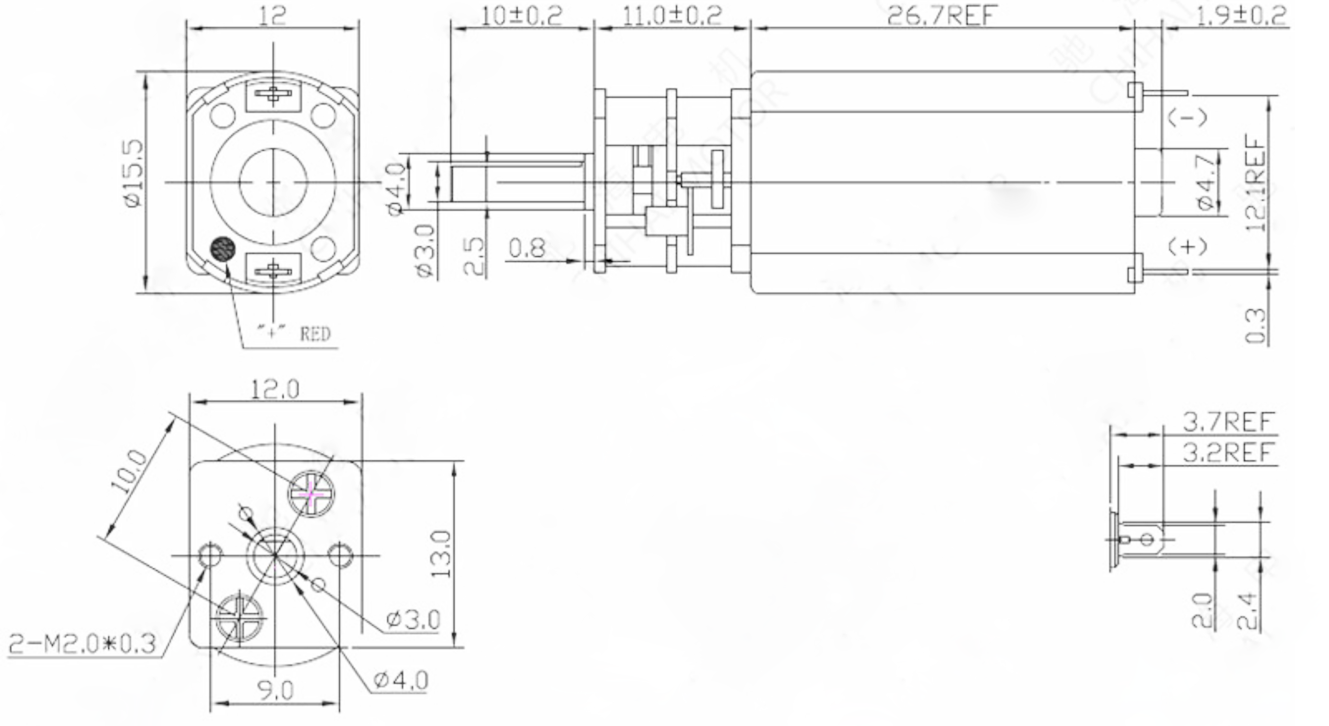
电机为直流减速电机,减速比1:35,尺寸很小,仅占用很少的空间。使用金属材质齿轮,经久耐用。D字出轴方便安装齿轮件。空载转速为375rpm,低噪音。
应用场景:

注意事项
- 1. 为了保障电机的使用寿命,请勿超负荷使用;
- 2. 请勿贮藏及使用于四周高温或极端潮湿中,可能会影响电机的使用寿命和使用效果;
- 3. 电源正负极的马达端子上需要要焊锡时,若烙铁温度在340℃±40℃之间,则加热时间应在3秒钟以内,以防止马达内塑料部件过热变形;
- 4. 不可让马达轴卡住,卡住会使马达烧毁;
- 5. 电机应在电压规格范围内使用;
技术规格
- 电压:6V
- 旋转方向:可双向
- 减速比:1:35
- 空载电流:小于等于90mA
- 空载转速:300±10% RPM
- 负载转矩:91g.cm
- 负载转速:160rpm
- 负载电流:200mA
- 堵转转矩:500g.cm
- 堵转电流:小于等于950mA
- 轴长:10mm
- 轴径:3mm D字型轴
- 重量:25g
- 尺寸:12*13-R15.5*38mm ( 不含电机出轴)
配送清单
- 迷你直流减速电机6V 减速比1:35 375rpm ×1